Sign In | Join Free | My ecer.com.ru
China DONGGUAN FAVORABLE AUTOMATION EQUIPMENT CO.,LTD logo
DONGGUAN FAVORABLE AUTOMATION EQUIPMENT CO.,LTD
FAVORABLE GROUP LIMITED FAVORABLE TECHNOLOGY CO., LIMITED We are the Top 1 manufacturer of spare parts for auto cutter, plotter and spreader machine.
Verified Supplier

13 Years

Home > Cutting Machine Parts >

Blade Guide Upper Cutting Machine Parts 62294000 For Machine Model S91

DONGGUAN FAVORABLE AUTOMATION EQUIPMENT CO.,LTD
Trust Seal
Verified Supplier
Credit Check
Supplier Assessment
Contact Now

Blade Guide Upper Cutting Machine Parts 62294000 For Machine Model S91

  • 1
  • 2

Brand Name : Favorable

Model Number : 62294000

Certification : ISO2000

Place of Origin : China(Mainland)

MOQ : 1 Unit/Units negociate

Price : Negotiate

Payment Terms : T/T,Western Union,paypal

Supply Ability : 20000 Unit/Units per Month negociate

Delivery Time : 10 hours

Packaging Details : Original packaging

Type : Guide Knife Rear

Used For : Auto Cutter S91

Weight : 0.04 kgs/pc

Desceiption : GUIDE,KNIFE,REAR,.093,S-91,RPL 031083015

Supply ability : 20000 pcs per month

MOQ : 1pcs

Package : Standard export carton

Delivery time : Within 10 hours

Shipment way : Int'l express services

Contact Now

Blade Guide Upper Part 62294000 For Auto Cutter Machine Model S91

Parts Specifications:

Product name:

62294000 GUIDE,KNIFE,REAR,.093,S-91,RPL 031083015

Packaging Details:

Standard packing

Quality Guarantee:

If quality problem, will be replace to customer immediately

About Tax:

Can make low value on CI to avoid high tax on customer's country

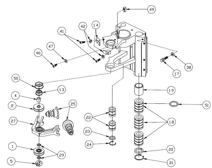
The drawing for this item part as below:

Blade Guide Upper Cutting Machine Parts 62294000 For Machine Model S91Blade Guide Upper Cutting Machine Parts 62294000 For Machine Model S91

Our Products Suitable For Equipment:

For Gerber Auto cutter : GT7250 / 5250 / S3250 / DCS1500 / GTXL / XLC7000 / Z7

/ PARAGON VX / HX

For Gerber Spreader , Gerber Plotter :

INFINITY ; INFINITY - II ; INFINITY - AE2 ; AP plotter SERIES ; AP300 - AP360 ; S91 ; SY101 ; XLS50 ; XLS125...

For Lectra Plotter AND Auto-cutter : Alys 20 / Alys30 / Alys60 / Alys120,

VT2500 , VT5000 , VT7000 , Q25 , Q50 , Q80 , MP6 , MP9 , M88 , MH8 , MH , FX , MX , IX6 , IX9

For Yin / Takatori Cutter / Bullmer / Kuris / Investronica

Advantages of Favorable Company

1. We have more than 95% spare parts and consumables in stock; you can get the parts which you need in short time without waiting.

2. We have senior engineer team with 15 years of experiences who can supply free technical support when you face with technical issues.

3. We can provide fast delivery. We can deliver the goods to you within 4 hours by international express after get your payment.

4. We are supplying spare parts and consumables over 65 countries and over 10 of the top 500 enterprises, such as Boeing, Benz, BMW, Honda, Toyota, Adidas, Victoria’s secret, Cheers……

5. We will constantly improve the quality of product to reduce 40% ~ 60% cost to maximize your profit.

6. We had developed the grinding stone and blade recently which the lifetime is 5 times longer than normal product and it will improve 10% capacity and the quality of tailor.

We can supply all of spare parts in this industry, can arrange delivery upon order confirmation.

Also welcome customized non-standard high-quality spare parts.

Please kindly forward us your list of requirements and we will send you our SPECIAL price for the spares you require within 1-2 hours.


Product Tags:

cutter accessories

      

lectra cutter accessories

      
China Blade Guide Upper Cutting Machine Parts 62294000 For Machine Model S91 wholesale

Blade Guide Upper Cutting Machine Parts 62294000 For Machine Model S91 Images

Inquiry Cart 0
Send your message to this supplier
 
*From:
*To: DONGGUAN FAVORABLE AUTOMATION EQUIPMENT CO.,LTD
*Subject:
*Message:
Characters Remaining: (0/3000)